
Bilke Cruiser
Mobiilne puulõhkumismasin

Tõhus ja kergesti liigutatav puulõhkumismasin küttepuude valmistamiseks
Tõhus ja kergesti liigutatav puulõhkumismasin küttepuude valmistamiseks
Bilke Cruiser on tõhus ja kasutajasõbralik puulõhkumismasin, mis on loodud sujuvaks küttepuude tootmiseks. Bilke Cruiseris on populaarne puulõhkumismasin Bilke S3 kohandatud haagisele paigaldamiseks ilma masina häid omadusi kaotamata. Automaatne etteanne, reguleeritav halu pikkus ja tõhus spiraalteraga lõikur muudavad puude lõhkumise kiireks ja lihtsaks. Laiad konveierid ja läbimõeldud konstruktsioon tagavad hea tootlikkuse ning turvalise töötamise.
Tänu haagitavale konstruktsioonile saab Bilke Cruiser puulõhkumismasinat hõlpsasti töökohta transportida ning see sobib suurepäraselt nii taludele, metsaomanikele kui ka professionaalseks küttepuude tootmiseks.


Lihtne ettesööta ja kasutada
Tänu automaatsele etteandmissüsteemile ei pea te palgi söötmise ajal seda toetama. Kergesti liigutatavad konveierid, lai väljastuslint ja ümberkujundatud lõiketerad tagavad mugava kasutamise. Töö Bilke Cruiser M1 puulõhkumismasinaga on nii lihtne kui ka ohutu.


Reguleeritavhalu pikkus
Pikkuse reguleerimise süsteem võimaldab valida soovitud halu pikkuse vastavalt vajadusele. Lõhkuja saab lõigata halud pikkusega 23–55 cm.


Esmaklassilineteradisain
Masinal on spiraalne lõikeketas, mis lõhub puitu tõhusalt ja jätab ühtlase lõike. Tänu teradisainile on lõhkumiseks ja lõikamiseks vajalik võimsus väike.


Hea tootlikkus
Mitut õhukest palki ja lauda võib asetada konveierile samaaegselt. Mitme palgi korraga lõhkumine tõstab tootlikkust oluliselt.


Ei ummistu
Masin on varustatud laia väljastuslindiga, mis tagab, et lõhutud puit eemaldatakse masinast ummistusteta. Tänu laiale lindile ei teki ummistuse ohtu isegi suure koormuse korral.


Lihtne transportida
Väljastus- ja etteandekonveierid liiguvad hõlpsasti vintsi abil. Masina ettevalmistamine tööks või transportimiseks on kiire ja lihtne.
Valik erinevaid jõuallikaid
Bilke Cruiser puulõhkumismasinat saab varustada kas sisepõlemismootori või elektrimootoriga. Elektrimootori kasutamisel saab võimsust vastavalt vajadusele reguleerida sagedusmuunduri abil. Sisepõlemismootori kasutamisel on masina pöörded reguleeritavad. Mootor on V2 mootor, mis on varustatud elektrilise käivitusega.

Sisepõlemismootor
V2 // bensiin
Kütusekulu töö ajalainult 1,5–2 l/h
Tootlikkus umbes 10lahtist kuupmeetrit tunnis
Kaal umbes 650 kg

Elektrimootor
7,5 kW // sagedusmuundur
Tänu sagedusmuundurile käivitubmootor 16 A peakaitsmega
Tootlikkus umbes 5lahtist kuupmeetrit tunnis
Productiviteit ca. 5 lossekubieke meter per uur
Kaal umbes 650 kg
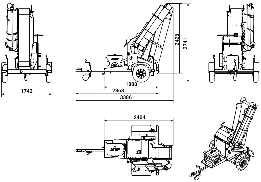
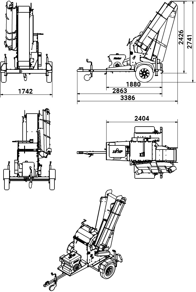
Tehnilised andmed
- Lõhestatava palgi läbimõõt: max 22,5 cm
- Lauataolise puidu laius: max 34 cm
- Halu pikkus: 23–55 cm
- Etteandekonveieri pikkus: 193 cm
- Väljastuskonveieri pikkus: 213 cm
- Paigaldus: haagitav, veotiisel
- Tootlikkus: 5–15 m³ / h
- Jõuallikas: V2 sisepõlemismootor 24 hp elektrilise käivitusega või elektrimootor 7,5 kW sagedusmuunduriga
- Võimsusvajadus: u 7,5–20 kW
- Kaal: u 650 kg











